
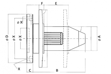
| Größe |
A mm |
B mm |
C mm |
D mm |
Max Ø expandiert (mm) |
Max Rollengewicht (N) |
Drehmoment (Nm) |
X Ø |
|---|---|---|---|---|---|---|---|---|
| 3" | 74,6 | 150 | 25 | 178 | 84 | 18000 | 1150 |
Auf Kunden- wunsch |
| 4" | 98 | 150 | 25 | 198 | 107 | 37000 | 2500 | |
| 4" | 100 | 150 | 25 | 198 | 109 | 37000 | 2500 | |
| 6" | 148 | 150 | 25 | 216 | 159 | 110000 | 5000 | |
| 6" | 150 | 150 | 25 | 216 | 161 | 110000 | 5000 |
Bei abweichenden Maßen kontaktieren Sie uns!
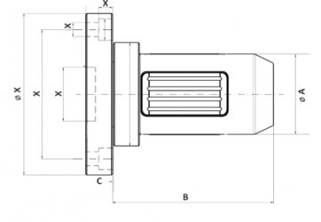
| Größe |
A mm |
B mm |
C mm |
D mm |
E mm |
F mm |
Max Rollengewicht (N) |
Drehmoment (Nm) |
X Ø |
|---|---|---|---|---|---|---|---|---|---|
| 3" | 74,6 | 233 | 30 | 180 | 100 | 20 | 18000 | 1150 |
Auf Kunden- wunsch |
| 4" | 98 | 243 | 30 | 195 | 100 | 20 | 37000 | 2500 |
Bei abweichenden Maßen kontaktieren Sie uns!


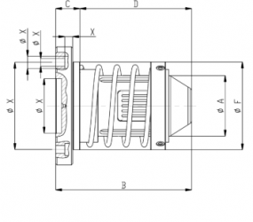
| Größe |
A mm |
B mm |
C mm |
D mm |
E mm |
F mm |
Max Ø expandiert (mm) |
Max Rollengewicht (N) |
Drehmoment (Nm) |
X Ø |
|---|---|---|---|---|---|---|---|---|---|---|
| 4" | 98 | 225 | 40 | 185 | 195 | 145 | 98,5 - 104,5 | 37000 | 2500 |
Auf Kunden- wunsch |
| 4" | 100 | 225 | 40 | 185 | 195 | 145 | 100,5 - 106 | 37000 | 2500 |
Bei abweichenden Maßen kontaktieren Sie uns!

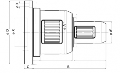
| Größe |
A'/A" mm |
B mm |
C mm |
D mm |
Max Ø expandiert (mm) |
Max Rollengewicht (N) |
Drehmoment (Nm) |
X Ø |
|---|---|---|---|---|---|---|---|---|
| 3" / 4" | 74,6 / 100 | 250 | 25 | 198 | 84 / 109 | 18000 / 37000 | 1150 / 2500 |
Auf Kunden- wunsch |
| 3" / 6" | 74,6 / 150 | 250 | 25 | 216 | 84 / 159 | 25000 / 45000 | 1150 / 2500 |
Bei abweichenden Maßen kontaktieren Sie uns!